Que cherchez-vous?
51 Résultats pour : « Portes ouvertes »

L'ÉTS vous donne rendez-vous à sa journée portes ouvertes qui aura lieu sur son campus à l'automne et à l'hiver : Samedi 18 novembre 2023 Samedi 17 février 2024 Le dépôt de votre demande d'admission à un programme de baccalauréat ou au cheminement universitaire en technologie sera gratuit si vous étudiez ou détenez un diplôme collégial d'un établissement québécois.

Événements à venir
Du 18 mars 2026 à 09:30 au 19 mars 2026 à 16:30
18 mars 2026 à 12:00
Recherche et innovation Le développement durable, l’économie circulaire et les enjeux environnementaux

Compensateur synchrone statique compact pour le soutien réseau

Un écosystème énergétique intégrant éoliennes, panneaux solaires, bâtiments écologiques et infrastructures de transport d'énergie.

Puissance réactive plus rapide dans les réseaux électriques

Les réseaux électriques modernes sont soumis à des pressions sans cesse croissantes. La demande industrielle, les sources d'énergie renouvelables et les électroniques de puissance génèrent des fluctuations de tension, des harmoniques et des facteurs de puissance médiocres. Ces problèmes peuvent réduire l'efficacité, provoquer une surchauffe des équipements et même entraîner une instabilité du réseau.

Pour relever ces défis, les services publics utilisent des compensateurs synchrones statiques (STATCOM). Les STATCOM sont des électroniques de puissance connectés au réseau qui injectent ou absorbent rapidement de la puissance réactive, stabilisant ainsi les tensions et améliorant la qualité de l'alimentation électrique. Cependant, les STATCOM traditionnels sont encombrants, coûteux et complexes, particulièrement à moyenne et haute tension.

Nous explorons dans cette recherche comment rendre les STATCOM plus compacts, plus efficaces et plus rentables sans sacrifier leurs performances.

Défi posé par les STATCOM classiques

La plupart des STATCOM modernes sont constitués de convertisseurs modulaires à plusieurs niveaux (MMC). Les MMC sont intéressants car modulaires et évolutifs, et produisent des formes d'onde de tension de haute qualité, à faible distorsion harmonique. Le principal inconvénient est que, pour obtenir des tensions stables, un grand nombre de sous-modules sont nécessaires, ce qui augmente :

  • La taille du système
  • Le nombre de composants
  • Le coût
  • La complexité de manipulation

Autrement dit, pour de meilleures performances il faut généralement davantage d’équipement, ce qui pose problème à grande échelle. 

Choix compact : le MMC « Z Packed U-Cell »

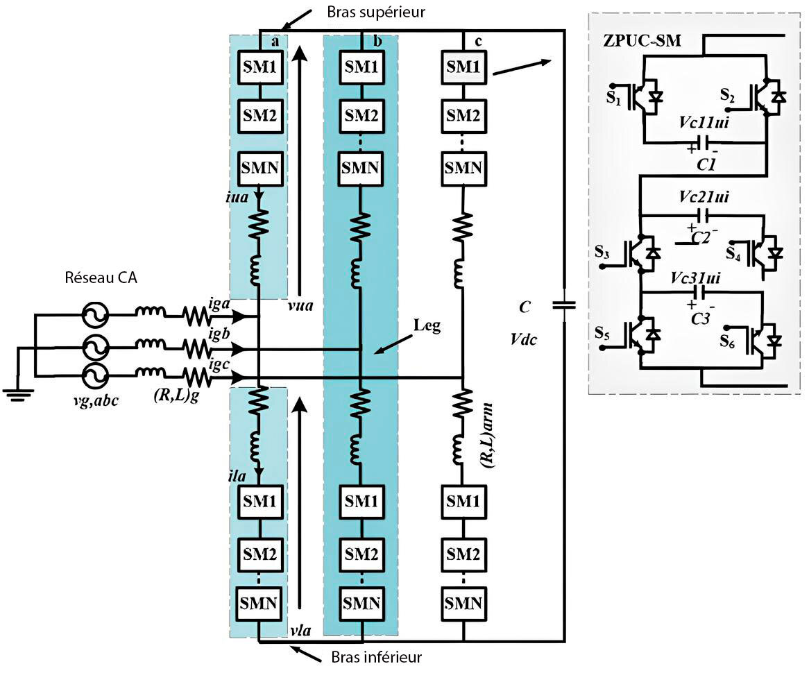
Pour surmonter cette contrainte, nous présentons un STATCOM composé d'un sous-module Z Packed U-Cell (ZPUC, cellules en série/parallèle dans une configuration en « Z ») intégré dans une structure MMC.

Au lieu de générer seulement deux niveaux de tension par sous-module, comme dans les conceptions classiques, le sous-module ZPUC produit plusieurs niveaux de tension en interne. Ainsi on obtient :

  • Moins de sous-modules
  • Moins de commutateurs par phase
  • Une réduction des pertes et de l'empreinte écologique

Dans la conception proposée, seuls deux sous-modules ZPUC par bras suffisent pour générer une tension de phase à 17 niveaux, un seuil de performance qui nécessiterait normalement beaucoup plus de sous-modules conventionnels.

Schéma représentant un circuit électrique avec des interrupteurs et des capacités, incluant une charge réactive et des tensions spécifiques.
Figure 1 : Schéma du sous-module ZPUC
Système électrique présentant un réseau CA et une configuration de convertisseurs avec différents composants et circuit de contrôle.
Figure 2 : Structure du STATCOM MMC à 17 niveaux en fonction du ZPUC proposé
Schéma d'un système STATCOM avec transformateurs et connexions de bus en 3 phases, indiquant les tensions et les résistances de charge.
Figure 3 : STATCOM VSC ZPUC-MMC connecté en parallèle avec le PCC

Équilibrage de tension intégré sans contrôleurs supplémentaires

Une difficulté majeure des convertisseurs à plusieurs niveaux est de maintenir l'équilibre des tensions internes des condensateurs. De nombreuses solutions reposent sur des capteurs supplémentaires et des boucles de contrôle complexes.

L'un des principaux avantages du ZPUC est que l'équilibrage de tension est obtenu intrinsèquement grâce à la stratégie de modulation. Par une méthode de modulation de largeur d'impulsion à déphasage (PS-PWM), les tensions des condensateurs restent naturellement équilibrées pendant le fonctionnement, sans rajout de couches de contrôle.

Ainsi, on simplifie l'architecture de contrôle et améliore la fiabilité du système.

Pourquoi la simulation en temps réel?

Construire un prototype STATCOM à grande échelle est coûteux et chronophage. Afin de valider le concept proposé, nous avons testé le système par simulation en temps réel sur une plateforme FPGA.

La simulation en temps réel permet au convertisseur et au système de commande de fonctionner comme dans un environnement matériel, mais sans risques physiques. Par rapport aux simulations traditionnelles avec processeurs, l'exécution FPGA permet :

  • Une diminution des pas de temps
  • Plus de précision
  • Une meilleure validation des convertisseurs de puissance à commutation rapide

Cette approche permet de tester en toute confiance des systèmes complexes avant leur mise en œuvre.

Système de contrôle temps réel avec MATLAB, RT-LAB et matériel OP4510, illustrant l'exécution sur CPU et FPGA.
Figure 4 : Architecture de la plateforme de simulation en temps réel combinant l'exécution CPU et FPGA

Performances en conditions réseau réelles

Nous avons testé le STATCOM proposé dans des scénarios d'exploitation réalistes, notamment pour :

  • Les changements soudains dans la demande de puissance réactive
  • Les transitions entre compensation capacitive et inductive
  • Les variations des niveaux de tension continue

Les résultats démontrent que le système :

  • Maintient des courants de réseau parfaitement sinusoïdaux
  • Génère des formes d'onde de tension nettes à 17 niveaux
  • Maintient l'équilibre des tensions internes des condensateurs
  • Réagit rapidement aux conditions dynamiques du réseau

Ces résultats confirment qu'il est possible d'obtenir des performances élevées avec un nombre nettement réduit de composants.

Étude des variations de tension et d'intensité dans un système, illustrées par des courbes sinusoïdales en fonction du temps.
Figure 5 : Tension et courant du réseau indiquant la compensation de puissance réactive
Analyse des tensions en fonction du temps, illustrant des variations pour différentes configurations de circuits.
Figure 6 : Équilibrage interne de la tension du condensateur en fonctionnement
Graphiques représentant des variations de tension en fonction du temps, illustrant des données de mesures électriques.
Figure 7 : Tensions de phase 17L dans chacun des bras supérieur et inférieur de la phase a
Représentation graphique des variations de tensions et courants dans un circuit, montrant des oscillations et des valeurs mesurées.
Figure 8 : Fonctionnement dynamique - variation de tension continue
Analyse graphique des signaux en fonction du temps, incluant tension et courant, illustrant les variations dans un système électrique.
Figure 9 : Fonctionnement dynamique - référence de puissance réactive capacitive de -150 Mvar à -75 Mvar
Analyse des signaux électriques en fonction du temps, illustrant des variations de tension et d'intensité sur plusieurs échelles.
Figure 10 : Fonctionnement dynamique - référence de puissance réactive capacitive à inductive de -75 Mvar à +75 Mvar
Analyse de signaux électriques avec des oscillations en fonction du temps, illustrant des variations de tension et de courant.
Figure 11 : Fonctionnement dynamique - référence de puissance réactive inductive +75 Mvar à +150 Mvar

Conséquences pratiques pour les futurs systèmes électriques

Cette recherche ouvre la voie à des STATCOM plus petits, plus légers et plus économiques. En réduisant le nombre de sous-modules tout en conservant une excellente qualité d'alimentation, la conception MMC ZPUC proposée offre des avantages évidents pour :

  • Des réseaux de distribution moyenne tension
  • Des solutions d'alimentation électrique de qualité en industrie
  • Des applications futures de réseaux intelligents

Au-delà des STATCOM, cette approche peut convenir à d'autres convertisseurs connectés au réseau, où l'efficacité, le coût et la fiabilité sont essentiels.

Perspectives d'avenir

Bien que la topologie proposée affiche d'excellentes performances, les travaux futurs porteront sur l'amélioration de la gestion des pannes et sur l'optimisation des stratégies de contrôle actuelles. Combiner le concept ZPUC avec des concepts tolérants aux pannes pourrait permettre un éventail plus grand encore d'applications réseau.

Information supplémentaire

Pour plus d'informations sur cette recherche, veuillez vous reporter à l'article de recherche suivant : S. Atanalian, F. Sebaaly, R. Zgheib and K. Al-Haddad, "Z Packed U-Cell Modular Multilevel Converter for STATCOM Applications," in IEEE Access, vol. 13, pp. 78795-78807, 2025, doi: 10.1109/ACCESS.2025.3566015.