What are you looking for?
51 Résultats pour : « Portes ouvertes »

L'ÉTS vous donne rendez-vous à sa journée portes ouvertes qui aura lieu sur son campus à l'automne et à l'hiver : Samedi 18 novembre 2023 Samedi 17 février 2024 Le dépôt de votre demande d'admission à un programme de baccalauréat ou au cheminement universitaire en technologie sera gratuit si vous étudiez ou détenez un diplôme collégial d'un établissement québécois.

Upcoming events
May 20, 2026 at 12:00
  • Home
  • ÉTS News
  • A Compact Z Packed U-Cell Modular Multilevel Static Synchronous Compensator for Grid Support
Research and Innovation Sustainable Development, the Circular Economy and Environmental Issues

A Compact Z Packed U-Cell Modular Multilevel Static Synchronous Compensator for Grid Support

A sustainable energy landscape featuring solar panels, wind turbines, and energy storage alongside modern infrastructure.

Why Power Grids Need Faster Reactive Power Control

Modern power grids are under increasing stress. Industrial loads, renewable energy sources, and power electronics-based equipment introduce voltage fluctuations, harmonics, and poor power factors. These issues can reduce efficiency, cause equipment overheating, and even lead to instability in the grid.

To address these challenges, utilities rely on Static Synchronous Compensators (STATCOMs). STATCOMs are power-electronic devices connected to the grid that rapidly inject or absorb reactive power, stabilizing voltages and improve power quality. However, traditional STATCOM designs tend to be bulky, expensive, and complex, especially at medium- and high-voltage levels.

This research explores how STATCOMs can be made smaller, more efficient, and more cost-effective without sacrificing performance.

The Challenge with Conventional STATCOM Converters

Most modern STATCOMs are based on Modular Multilevel Converters (MMCs). MMCs are attractive because they are modular, scalable, and produce high-quality voltage waveforms with low harmonic distortion. The main drawback is that achieving smooth voltages requires a large number of submodules, which increases:

  • System size
  • Component count
  • Cost
  • Control complexity

Simply put, better performance usually means more hardware, and that becomes a problem for large-scale deployment.

A Compact Alternative: The Z Packed U-Cell MMC

To overcome this limitation, this work introduces a STATCOM based on a Z Packed U-Cell (ZPUC) submodule integrated into an MMC structure.

Instead of generating only two voltage levels per submodule, as in conventional designs, the ZPUC submodule produces multiple voltage levels internally. This means:

  • Fewer submodules are needed
  • Fewer power switches per phase
  • Lower losses and reduced footprint

In the proposed design, only two ZPUC submodules per arm are enough to generate a 17-level phase voltage, a level of performance that would normally require many more conventional submodules.

A circuit diagram illustrating control switches and components for managing a reactive load in electrical systems.
Figure 1: Conceptual diagram of the Z Packed U-Cell submodule
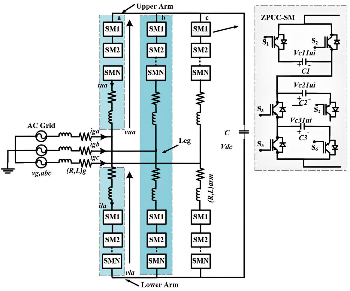
Schematic representation of a multi-level converter design illustrating the connection of components in both upper and lower arms.
Figure 2: Overall structure of the proposed 17-level ZPUC-based MMC STATCOM
A circuit diagram illustrating a STATCOM integration for voltage regulation in a multi-level converter system.
Figure 3: VSC ZPUC-MMC STATCOM connected in shunt with PCC

Built-in Voltage Balancing Without Extra Controllers

A major difficulty in multilevel converters is maintaining the balance of internal capacitor voltages. Many solutions rely on additional sensors and complex control loops.

One of the key advantages of the ZPUC-based approach is that voltage balancing is inherently achieved through the modulation strategy. By using a phase-shifted pulse-width modulation (PS-PWM) method, capacitor voltages remain naturally balanced during operation—without adding extra control layers.

This simplifies the control architecture and improves system reliability.

Why Real-Time Simulation Matters

Building a full-scale STATCOM prototype is expensive and time-consuming. To validate the proposed design, the system was tested using real-time simulation on an FPGA-based platform.

Real-time simulation allows the converter and its control system to behave exactly as they would in real hardware, but without physical risks. Compared to traditional CPU-based simulations, FPGA execution enables:

  • Much smaller time steps
  • Higher accuracy
  • Reliable validation of fast-switching power converters

This approach allows complex systems to be tested with confidence before hardware implementation.

Flowchart illustrating real-time execution of an SPS model using MATLAB and OP4510 hardware via TCP, highlighting code compilation and processing times.
Figure 4: Real-time simulation platform architecture combining CPU and FPGA execution

Performance Under Real Grid Conditions

The proposed STATCOM was tested under realistic operating scenarios, including:

  • Sudden changes in reactive power demand
  • Transitions between capacitive and inductive compensation
  • Variations in DC voltage levels

The results show that the system:

  • Maintains perfectly sinusoidal grid currents
  • Generates clean 17-level voltage waveforms
  • Maintains the balance of internal capacitor voltages
  • Responds promptly to dynamic grid conditions

These outcomes confirm that high performance can be achieved with significantly fewer components.

Graphs illustrating voltage and current variations over time in a study of electrical engineering principles.
Figure 5: Grid voltage and current showing reactive power compensation
Voltage measurements over time, displayed in multiple channels, showing stable data patterns within specific ranges.
Figure 6: Internal capacitor voltage balancing during operation
Voltage variations over time are illustrated, showing distinct waveforms and measurements in a comparative format.
Figure 7: 17L- Phase voltages in each of the upper and lower arm of phase a
Graphs show voltage and current waveforms over time in an electrical engineering context, highlighting oscillations and steady states.
Figure 8: Dynamic operation: DC voltage variation
Graphs displaying voltage and current waveforms over time, highlighting oscillations and values in a technical context.
Figure 9: Dynamic operation: Capacitive reactive power reference -150 Mvar to -75 Mvar
Multiple waveforms are displayed over time, depicting voltage and current variations in an electrical system.
Figure 10: Dynamic operation: Capacitive to inductive reactive power reference -75 Mvar to +75 Mvar
Data visualization of voltage and current waveforms across different phases, illustrating oscillations over time.
Figure 11: Dynamic operation: Inductive reactive power reference +75 Mvar to +150 Mvar

Practical Impact for Future Power Systems

This research demonstrates a practical path toward smaller, lighter, and more economical STATCOMs. By reducing the number of required submodules while maintaining excellent power quality, the proposed ZPUC-based MMC design offers clear advantages for:

  • Medium-voltage distribution grids
  • Industrial power quality solutions
  • Future smart grid applications

Beyond STATCOMs, the same approach can be extended to other grid-connected converters, where efficiency, cost, and reliability are critical.

Looking Ahead

While the proposed topology shows strong performance, future work will focus on enhancing fault-handling capability and optimizing current control strategies. Combining the ZPUC concept with fault-tolerant designs could make it suitable for an even broader range of grid applications.

Additional Information

For more information on this research, please refer to the following research paper: S. Atanalian, F. Sebaaly, R. Zgheib and K. Al-Haddad, "Z Packed U-Cell Modular Multilevel Converter for STATCOM Applications," in IEEE Access, vol. 13, pp. 78795-78807, 2025, doi: 10.1109/ACCESS.2025.3566015.